Základné ceny sú aktuálne odporúčané predajné ceny výrobcov! Doprava ZADARMO pri objednávke nad EUR41,67 (PPLparcel)
Kategória
    Značky
      Blog
        Produkty
          Nenájdené žiadne produkty.
          Používateľ

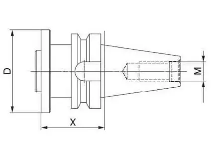
          VK801 ISO 50-M24 DIN 2080 Kuželová stopka vyměnitelná - stopka je určena pro Vhu 56 až Vhu 160, Vh110, Vh140, Vhs 40-180

          Příslušenství pro obráběcí stroje.

          DPH:21%
          Jednotka:ks
          Kód:MT208725
          EAN:
          8590901208725
          Značka:Narex MTE


          Vaša cena11 777,00  Kč 
          Vaša cena bez DPH9 733,06  Kč 
          Tovar je na ceste od dodávateľa

          Varianty

          Zobraziť košík

          Tovar bol pridaný do porovnania

          Zobraziť porovnanie

          Prosím, čakajte...
          Objednávku nemožno dokončiť, skúste to, prosím, neskôr